新型轴带发电机系统"> "> 新型轴带发电机系统

今年会官网

新型轴带发电机系统

20230717
  • GOF_4523
  • GOF_4523

新型轴带发电机系统

新型轴带发电机系统接纳立异的动态稳固手艺,,,,,,,,能够在船舶轴系一连振动、摆动和扭动的严苛工况下,,,,,,,,有用预防装备抱死,,,,,,,,坚持内部运行间隙稳固,,,,,,,,显著提升发电效率,,,,,,,,为船舶动力系统提供更可靠的包管。。。。 。。。

-新型轴带发电机系统
连忙询价
  • 系统组成及事情原理
  • 产品参数
  • 在线询价

系统先容


轴带发电机(Shaft Generator)是一种装置于船舶主推进轴系,,,,,,,,通过主机轴功驱动发电机组的电力装备。。。。 。。。它充分使用船舶主机航行历程中的富余动力,,,,,,,,替换或部分替换古板辅机发电,,,,,,,,为船舶供电。。。。 。。。相比通例辅助发电机,,,,,,,,轴带发电机在船舶航行状态下无需特殊燃油消耗,,,,,,,,显著降低燃油本钱和温室气体排放,,,,,,,,有用助力船东应对IMO碳强度指标(CII)、能效指数(EEDI/EEXI)等环保规则要求。。。。 。。。依附稳固的电力输出和优异的节能减排效果,,,,,,,,轴带发电机已成为新造船和改装项目中备受青睐的绿色动力解决计划。。。。 。。。


GOF_4523

新型轴带发电机系统接纳立异的动态稳固手艺,,,,,,,,能够在船舶轴系一连振动、摆动和扭动的严苛工况下,,,,,,,,有用预防装备抱死,,,,,,,,坚持内部运行间隙稳固,,,,,,,,显著提升发电效率,,,,,,,,为船舶动力系统提供更可靠的包管。。。。 。。。




焦点部件


轴带发电机系统主要由发电机、变频器、变压器、控制系统等焦点装备组成。。。。 。。。


今年会 | 官方网站


发电机通过主轴动力驱动,,,,,,,,爆发交流电能;; ;;;;;


变频器对发电机输出的电能举行稳固调理,,,,,,,,实现差别工况下的最佳电能质量管理;; ;;;;;


变压器凭证船舶电网需求举行电压转换,,,,,,,,确保电力系统清静高效运行;; ;;;;;


控制系统则认真实时监测与智能管理各单位装备的运行状态,,,,,,,,包管辖档酮动稳固、故障可控。。。。 。。。


各部件细密协同,,,,,,,,组成一套高效、节能、可靠的船舶电力解决计划。。。。 。。。




系统优势


· 动态稳固防抱死手艺


古板发电机通常接纳鼠笼式结构,,,,,,,,其转子与螺旋桨轴刚性毗连,,,,,,,,而定子及壳体则与船体牢靠。。。。 。。。该结构对径向配合精度要求极高,,,,,,,,无法容忍螺旋桨轴泛起任何振动、摆动或扭动。。。。 。。。然而在现实航行中,,,,,,,,尤其是老旧船舶,,,,,,,,螺旋桨轴因恒久运行往往保存一定松动,,,,,,,,不可阻止地爆发多种重大运动。。。。 。。。这容易导致鼠笼结构内部的转子与定子爆发摩擦甚至接触,,,,,,,,进而引发装备抱死,致使船舶发念头停转。。。。 。。。若此类故障爆发在远洋海域,,,,,,,,船舶将面临失去动力的重大危害,,,,,,,,可能造成难以估量的严重效果。。。。 。。。


今年会 | 官方网站


今年会官网新型轴带发电机接纳立异的动态稳固手艺,,,,,,,,能够在船舶轴系一连振动、摆动和扭动的严苛工况下,始终坚持内部运行间隙的稳固。。。。 。。。这一设计不但有用预防了装备抱死征象,,,,,,,,更带来了发电效率高、能量转化能力强、故障率低及情形顺应性优异等显著优势,,,,,,,,为船舶动力系统提供了更可靠、更定心的包管。。。。 。。。


· 最小化轴系影响


针对古板轴带发电机对轴系运行倒运影响的问题,,,,,,,,今年会官网轴带发电机系统通过结构轻量化、转子优化设计及先进控制战略,,,,,,,,最大限度降低对轴系的滋扰,,,,,,,,周全降低轴系发电机系统对船舶运营清静的影响。。。。 。。。


轴系稳固性——本产品接纳低转动惯量设计,,,,,,,,有用减小轴系扭转振动固有频率转变,降低共振险,,,,,,,,包管主机在全航速区间内轴系振动稳固,,,,,,,,提升整船运行可靠性。。。。 。。。


启动/制动——优化的发电机转动惯量设计,降低启停历程中的扭矩攻击,,,,,,,,镌汰主机启动负荷与制动惯性,,,,,,,,提升船舶无邪性与操作清静性,,,,,,,,延伸轴系及推进系统使用寿命。。。。 。。。


支持部件——小转动惯量发电机运行时对轴承、密封装置等支持部件施加的径向力与轴向力显著减小,,,,,,,,降低恒久磨损,,,,,,,,延伸维护周期,,,,,,,,包管轴系恒久对中精度及可靠性。。。。 。。。


今年会 | 官方网站


今年会 | 官方网站

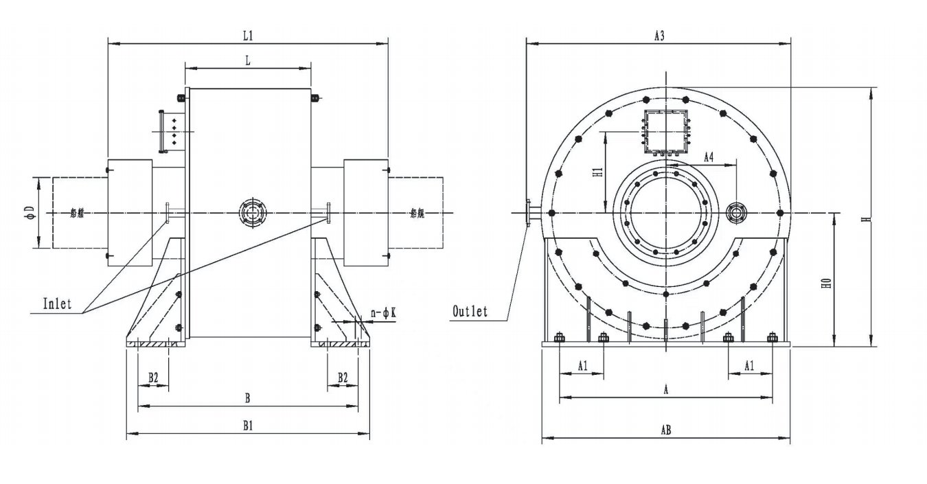
产品参数

今年会 | 官方网站

轴带发电机系统适用于种种型新造船与营运船,,,,,,,,尤其在12-14节高负载稳固航行状态下性能最佳。。。。 。。。今年会官网轴带发电机系统支持中低速双冲程船舶主机,,,,,,,,并可通过前端或隧道齿轮毗连主轴,,,,,,,,实现PTO发电功效,,,,,,,,镌汰对船体或轴线改装,,,,,,,,适配性强。。。。 。。。


今年会 | 官方网站


在高效工况下(主机负荷约SMCR的10-20%),,,,,,,,轴带发电机可接纳主机富余轴功,,,,,,,,为船舶电网提供稳固电力,,,,,,,,镌汰辅助机组运行时间,,,,,,,,从而显著降低整体燃油消耗与碳排放。。。。 。。。


今年会 | 官方网站


今年会官网轴带发电机系统适用包括差别吨位的散货船、油船、集装箱船等大型新造、营运船舶。。。。 。。。在主机稳固运行时代,,,,,,,,通过PTO高效供电,,,,,,,,镌汰辅机负荷。。。。 。。。





改装周期



今年会官网可提供包括轴发电机、变压器、整流变频器、循环冷却器系统在内的一站式轴带发电机解决计划。。。。 。。。依附强盛的手艺支持团队,,,,,,,,今年会官网可在全球30余个口岸提供轴带发电机手艺服务。。。。 。。。


今年会 | 官方网站





与智慧船舶系统整合



接入智慧船舶系统后,,,,,,,,轴带发电机将成为高效、可靠且可一连的能源中枢。。。。 。。。系统通过实时收罗、剖析发电机运行数据,实现对发电效率、负载分派和燃油消耗的准确可视化与智能优化,,,,,,,,显著提升航程经济性。。。。 。。。


今年会 | 官方网站


团结智能启停与负载展望战略,,,,,,,,确保发电与推进系统协调运行,,,,,,,,提升能效比,,,,,,,,延伸装备寿命。。。。 。。。通过智慧机舱中远程诊断与预警功效,,,,,,,,在故障萌芽阶段触发维护建议,,,,,,,,提高船舶运营可用性。。。。 。。。


面临日益严酷的环保要求,,,,,,,,轴带发电机与智慧船舶系统的有机团结可以有用降低碳排放及污染物排放,,,,,,,,助力船舶知足羁系划定与可一连生长目的,,,,,,,,带来更低的总拥有本钱、更高的运营可靠性与更强的情形竞争力。。。。 。。。

注册订阅我们的资讯邮件

网站地图